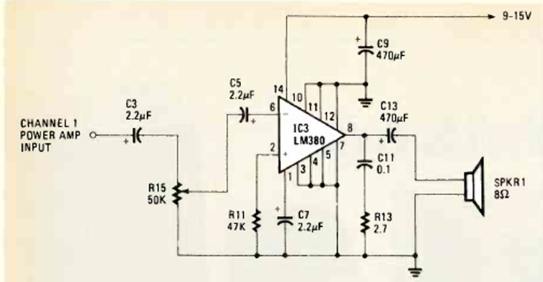
This is another of the circuits with the LM380 that we have in this section. We found it in an article about Walkman amplifiers in the Radio Electronics magazine of March 1986.
We found this circuit in a 1977 radio documentation. The circuit uses TTL frequency dividers from...
In figure we have a three-phase AC motor control for voltages up to 600 V or 1200 V depending on...
The oscillator shown in the figure can generate signals up to 500 kHz and has good stability. Coil...