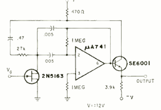
This voltage-controlled oscillator or VCO was found in a Radio Electronics magazine from July 1970. The operating system must be powered by a symmetrical source. The frequency depends on the capacitors.

This voltage-controlled oscillator or VCO was found in a Radio Electronics magazine from July 1970. The operating system must be powered by a symmetrical source. The frequency depends on the capacitors.
