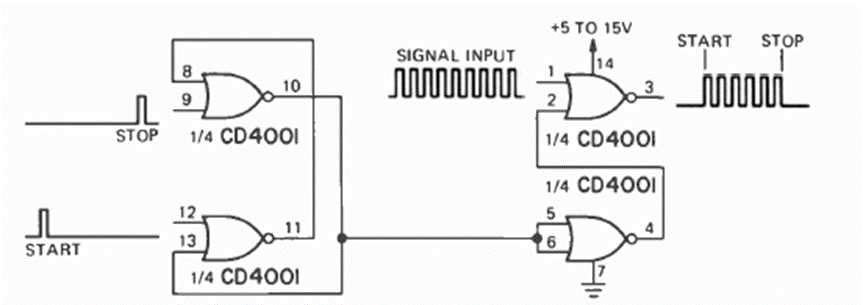
We found this circuit in the October 1974 issue of Radio Electronics magazine. Note the waveforms obtained for the control and controlled signals.
Vishay's VCNL4200 integrated circuit consists of a fully integrated proximity detector containing...
This circuit samples the current in a load and in case of excessive value it activates a...
The frequency of this oscillator depends on the crystal used and the transistors. The circuit was...