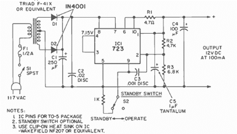
Using the 723 integrated circuit, this power supply has the voltage determined by R2 and R3, which can be changed. The circuit is from a Radio Electronics magazine from July 1971.
An excellent low frequency sine signal is produced by this oscillator. The frequency is determined by the...
This watt meter was found in an old telecommunications documentation. The circuit is interspersed...
Although it is a common configuration today, these circuits were taken from an old publication. The...