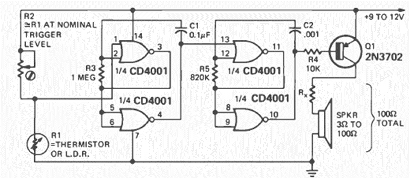
This circuit was found in the January 1975 Radio Electronics magazine. The circuit is based on the 4001 and has a power stage that can be changed as suggested by earlier circuits in these 4001 series.
This circuit was found in the January 1975 Radio Electronics magazine. The circuit is based on the 4001 and has a power stage that can be changed as suggested by earlier circuits in these 4001 series.