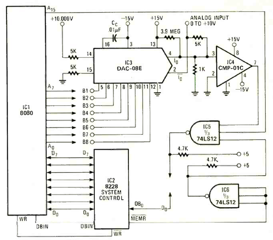
The figure shows how to use an 8080 in a digital to analog converter. The circuit is from a Radio Electronics from February 1978. The other components are from that time, except for the TTL.
Found in an EDN from the 90s, this circuit uses an electret microphone. The output can be used to...
This circuit is characterized by the configuration that accelerates the switching, being ideal for the...
This circuit makes use of a PLL 567 to invert the phase of a signal, ie to change it from 0 to 180...