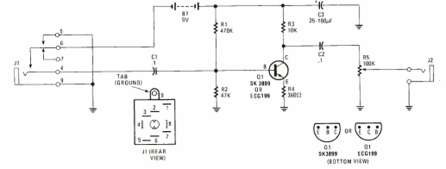
We found this circuit in Radio Electronics Special Projects from 1992. The circuit turns on the power when the microphone plug is inserted into the input jack.
We found this circuit in a 1977 radio documentation. The circuit uses TTL frequency dividers from...
In figure we have a three-phase AC motor control for voltages up to 600 V or 1200 V depending on...
The oscillator shown in the figure can generate signals up to 500 kHz and has good stability. Coil...