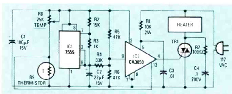
This circuit was found in the October 1987 Radio Electronics magazine. The circuit is a PWM control with a 555. It appears that the 555 is missing a connection that would be pin 4.
n be assembled with BC558 transistors for low power transistors and a BD136 for the output. The...
This circuit, found in 1980s documentation, produces a rectangular signal of the same frequency as the...
This mixer with few components can be tried by the reader who needs this circuit, but who does not...