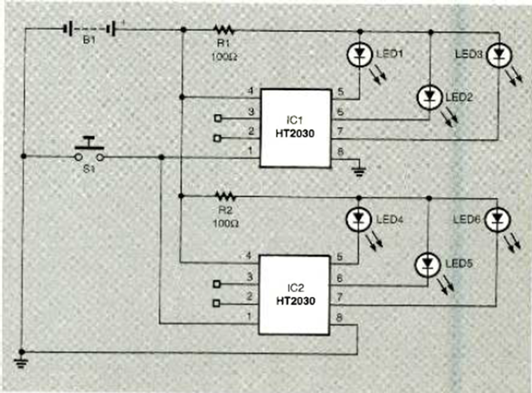
This circuit with two HT2030s powers 6 LEDs in a decorative flashing system. The circuit is from Electronics Now magazine, December 1997. The LEDs are fed in sequence.
The purpose of this circuit is to power a small fluorescent lamp from from a 12 V battery. The circuit...
This circuit was found in a 1968’s publication and uses germanium transistors. Equivalents can be...
This circuit generates the busy tone of ordinary telephones. The transistors can be the BC548 and...