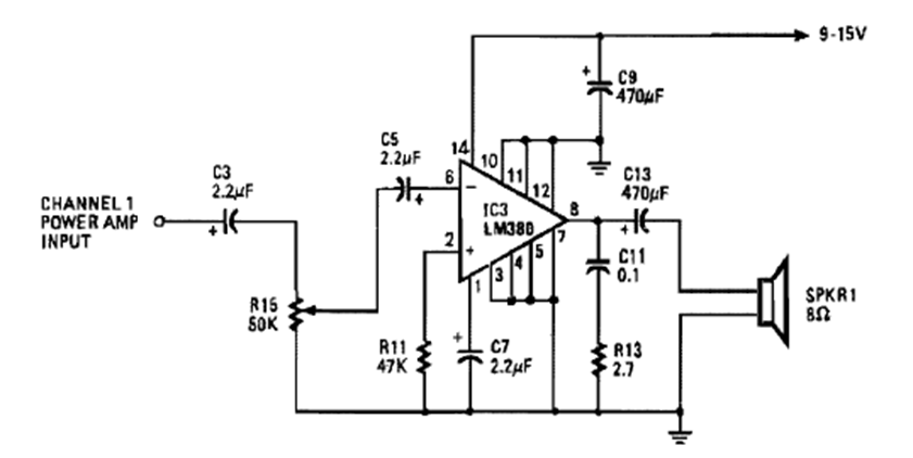
This is a channel of a stereo amplifier and small power with the LM386 suggested by the Radio Electronics Experimenters in the 1981 edition. The power of a few Watts.
This transmitter kicks in when the microphone picks up sound. This sound then modulates the signal...
The great advantage of the circuit shown in the figure is the fact that its frequency is...
This circuit for incandescent lamps was found in the February 1972 Radio Electronics magazine. The triac is...