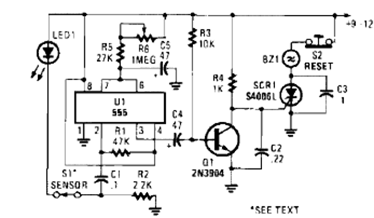
This 555-based circuit was obtained from the 1995 Encyclopedia of Electronic Circuits volume 5. It triggers an SCR when the transistor is cut off.
This simple version of a function generator with the XR2206 was found in the May 1977 issue of...
In a modern version this circuit can use an LED in series with a resistor in place of the lamp. The...
This VFO was found in a 1980s documentation. The central frequency is given by the crystal and the...