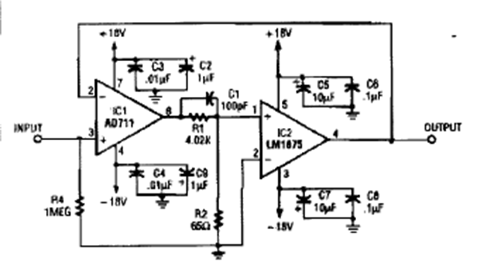
Found in Electronics Now magazine in an issue from the 90s, this circuit is different from the previous one because it inverts the phase of the signal applied to the speaker. The source must be dual at 18V.
Found in Electronics Now magazine in an issue from the 90s, this circuit is different from the previous one because it inverts the phase of the signal applied to the speaker. The source must be dual at 18V.