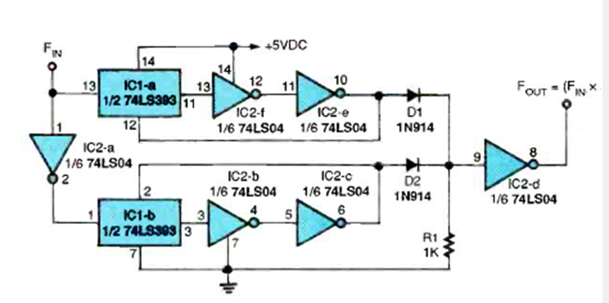
This TTL circuit found in the September 1996 issue of Electronics Now magazine doubles the frequency of a rectangular signal. The power supply must be 5 V.
This proximity sensor was found in a 90s Popular Electronics. The base is a PLL567 that operates...
In this circuit, we have a sensor that consists of a phenolite plate with a labyrinth of fillets that...
This circuit is from a 1976 technical documentation. In it we have the way of tuning a circuit using...