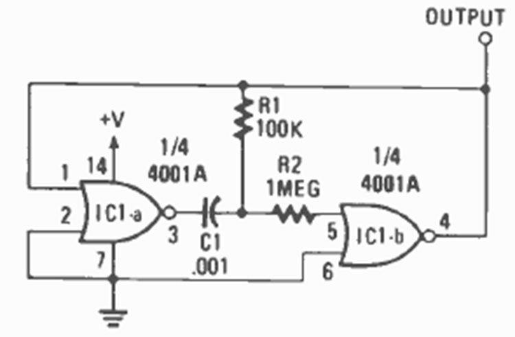
This oscillator was found in the January 1987 issue of Radio Electronics magazine. The frequency is adjusted by C1, and the output has good symmetry. The power supply is typically 3 to 12 V.
The purpose of this circuit is to power a small fluorescent lamp from from a 12 V battery. The circuit...
This circuit was found in a 1968’s publication and uses germanium transistors. Equivalents can be...
This circuit generates the busy tone of ordinary telephones. The transistors can be the BC548 and...