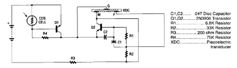
We found this circuit in the Encyclopedia of Electronic Circuits Volume 5 from 1995. It uses a 3-terminal transducer from the time. The circuit is triggered by light.
The purpose of this circuit is to power a small fluorescent lamp from from a 12 V battery. The circuit...
This circuit was found in a 1968’s publication and uses germanium transistors. Equivalents can be...
This circuit generates the busy tone of ordinary telephones. The transistors can be the BC548 and...