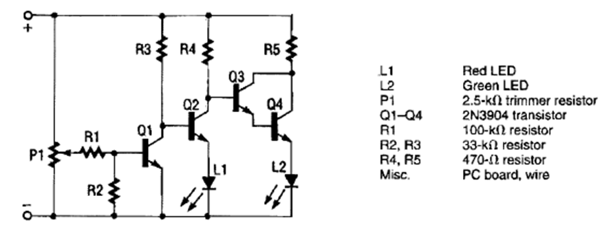
This automotive grade circuit was found in a 1991 Electronics Hobbyist. The transistors are general purpose types. P1 sets the monitoring voltage.
The purpose of this circuit is to power a small fluorescent lamp from from a 12 V battery. The circuit...
This circuit was found in a 1968’s publication and uses germanium transistors. Equivalents can be...
This circuit generates the busy tone of ordinary telephones. The transistors can be the BC548 and...