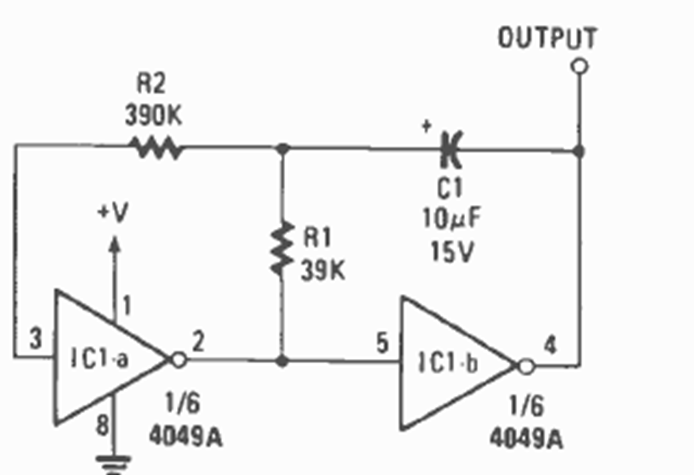
This is one of the many versions of this oscillator that we have on our website. We found it in an article in Radio Electronics magazine from January 1987. The frequency depends on C1.
This resistive load circuit for source testing was found in a 1991 publication. Power transistors must be...
No information is given about the transformers in this circuit suggested by Motorola in a 1968...
This circuit was obtained from the February 1990 issue of Radio Electronics magazine. The circuit...