Found in the 1991 Electronics Experimenter Handbook magazine, this circuit has good power and is recommended to be triggered by light.
Found in a 1969 EDN, this circuit uses components from that time. Modern equivalent transistors can be...
This amplifier with old germanium transistors is from a 1957 documentation. The power is a few...
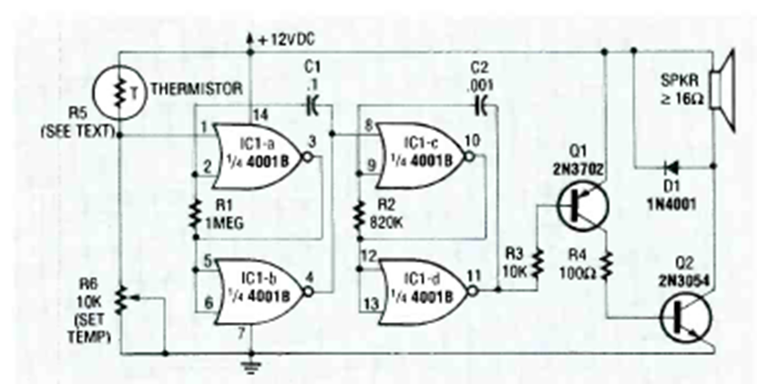
We found this circuit in an American documentation from the 90s. The circuit combines functions of 4...