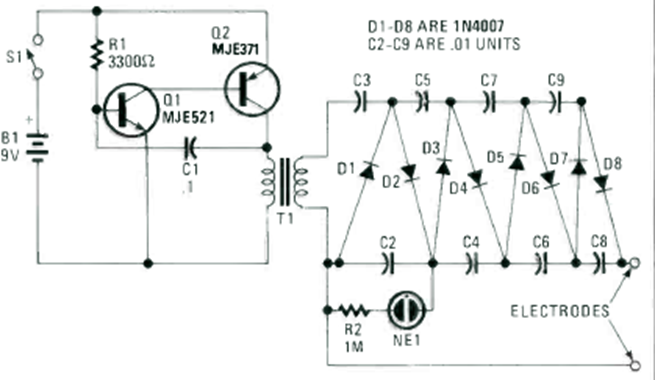
This electronic defense was found in the 1990 special issue of Radio Electronics Experimenter magazine. A few hundred volts is generated.
Found in a 1969 EDN, this circuit uses components from that time. Modern equivalent transistors can be...
This amplifier with old germanium transistors is from a 1957 documentation. The power is a few...
We found this circuit in an American documentation from the 90s. The circuit combines functions of 4...