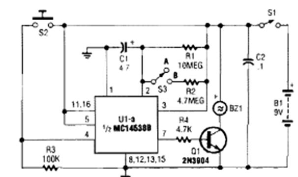
This circuit emits a sound at regular intervals to prevent you from falling asleep, for example. It can be found in the Encyclopedia of Electronic Circuits Volume 5 from 1995.

This circuit emits a sound at regular intervals to prevent you from falling asleep, for example. It can be found in the Encyclopedia of Electronic Circuits Volume 5 from 1995.
