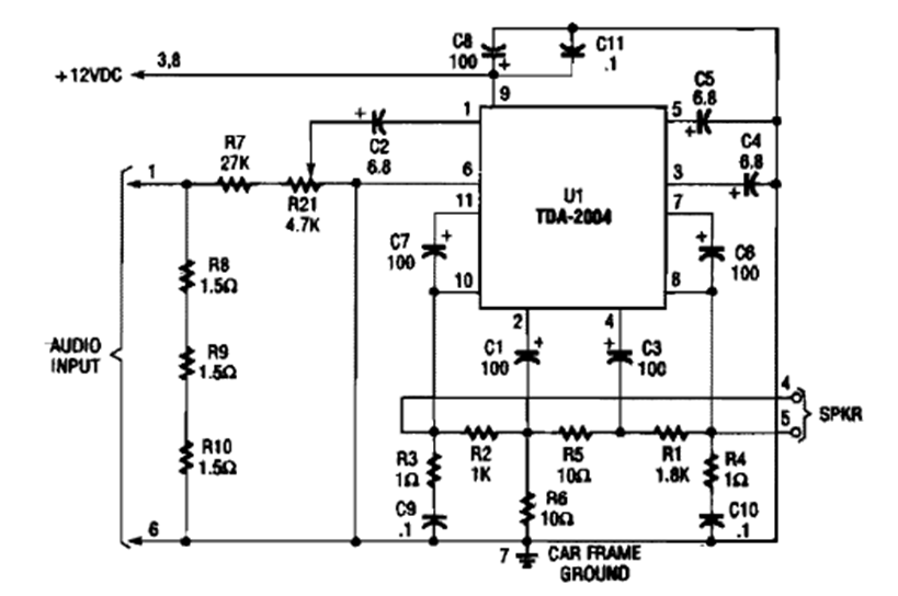
This car audio amplifier was found in a Popular Electronics Hobbyist Handbook from the 1990s. The circuit uses the TDA2004 to boost the car radio output of cars of the time.
We find this circuit in American documentation from the 1980s. The accuracy of the circuit depends on the...
The presented circuit uses a symmetrical power source to supply an amplifier with the LM139 or...
High quality sound can be obtained from this transistor amplifier. The output transistors must be...