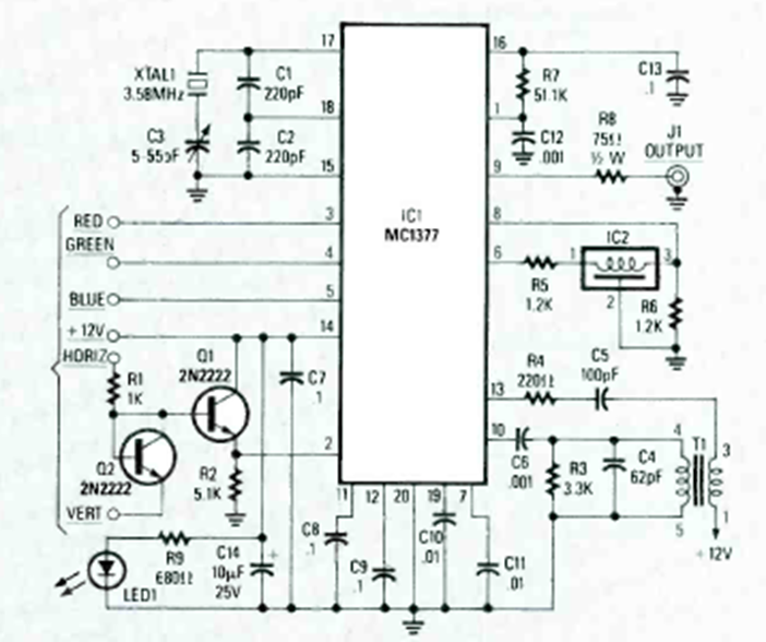
This circuit was found in the 1991 Electronics Experimenters handbook. It can be used to display RGB signals on old NTSC televisions.
Found in a 1968 US publication, this circuit can operate on any power grid. The thickness of the wire...
In the figure we have a simple timer with the 555 feeding a relay directly. The circuit is from...
A simple electroscope can be made only with a 741, without the need for field effect transistors or other...