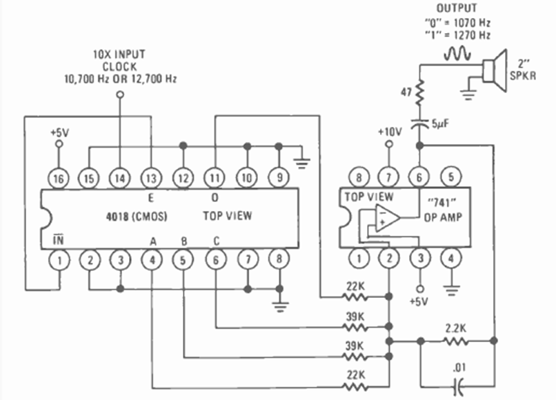
This CMOS generator with the 4018 IC was found in a November 1976 Radio Electronics magazine. It uses a 741 op-amp as the audio amplifier.
Found in a 1968 US publication, this circuit can operate on any power grid. The thickness of the wire...
In the figure we have a simple timer with the 555 feeding a relay directly. The circuit is from...
A simple electroscope can be made only with a 741, without the need for field effect transistors or other...