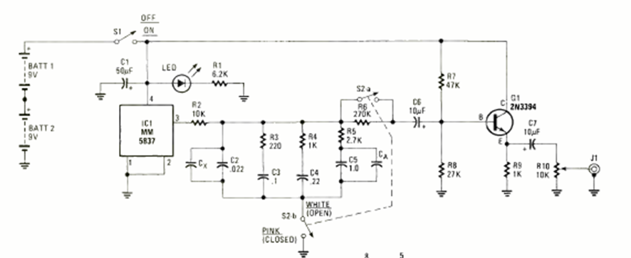
We found this circuit in the Electronics Experimenter Handbook 1983 edition. The circuit uses common components and has several features.
Found in a 1968 US publication, this circuit can operate on any power grid. The thickness of the wire...
In the figure we have a simple timer with the 555 feeding a relay directly. The circuit is from...
A simple electroscope can be made only with a 741, without the need for field effect transistors or other...