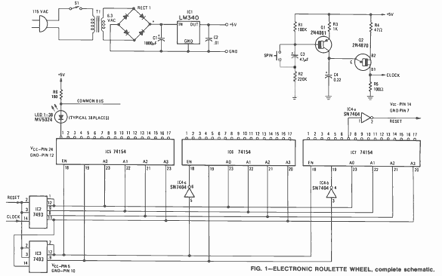
This game with digital logic circuits was found in the December 1976 issue of Radio Electronics magazine. The circuit includes the power supply driving a set of LEDs.
Found in a 1968 US publication, this circuit can operate on any power grid. The thickness of the wire...
In the figure we have a simple timer with the 555 feeding a relay directly. The circuit is from...
A simple electroscope can be made only with a 741, without the need for field effect transistors or other...