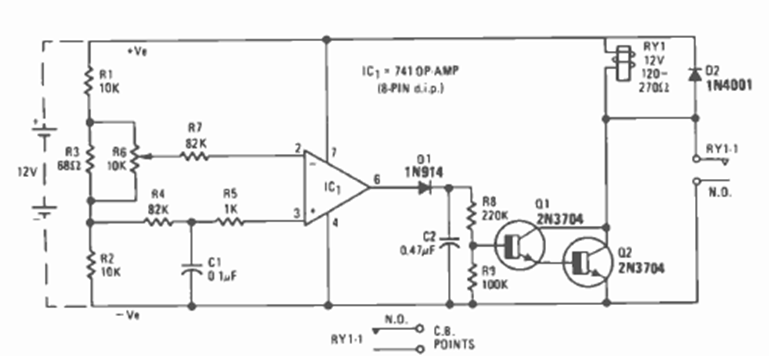
Indicated for alarm applications, this circuit was found in the December 1976 issue of Radio Electronics magazine. The circuit is for 12 V car applications.
We found this test circuit in a March 1967 Radio Electronics. The circuit uses a zener-regulated supply and...
We found this circuit in a 1995 publication. It applies to transceivers in the citizen's range (11...
The figure shows how to associate flip-flops in a shift register to obtain a lower frequency...