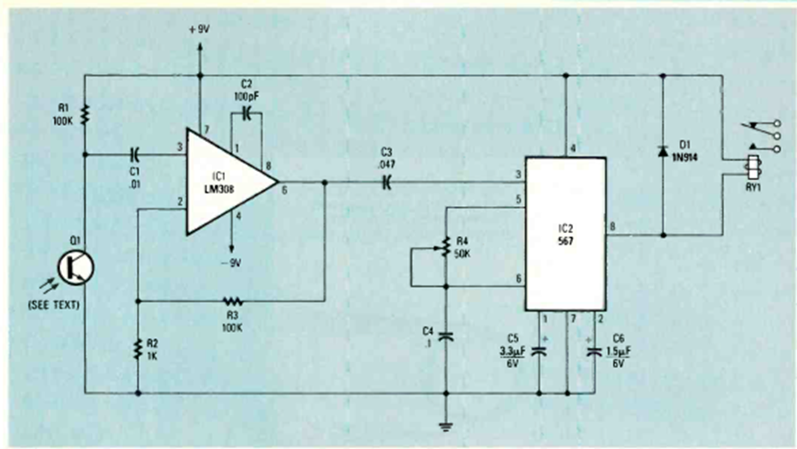
This is the receiver circuit for the previous remote control published in the same Radio Electronics magazine of November 1987. The sensor is a common phototransistor.
Rechargeable Nicad batteries type AA, C or D can be recharged with this circuit, which is nothing...
The figure circuit is a modulated tone generator, with the effect of interval beeps. The frequency of...
This circuit, very traditional, was found in a practical Elettronica of 1977. The source cannot be of...