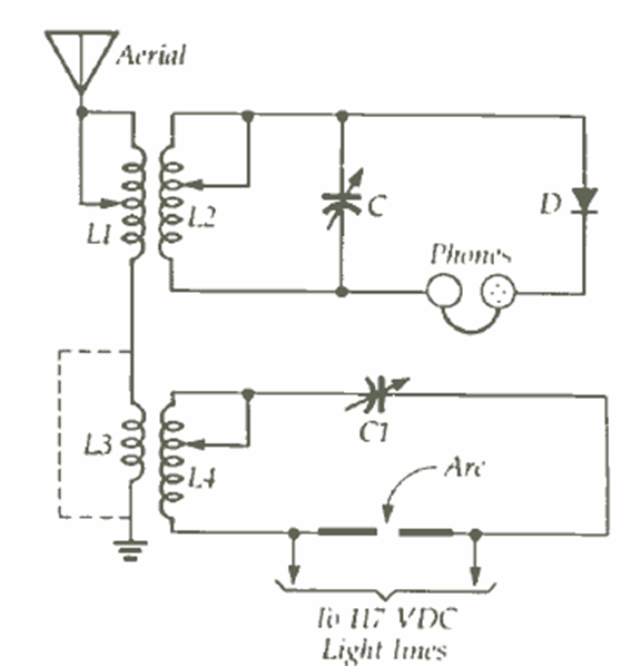
The spark gap generates the heterodyne signal in this early receiver designed by Fessendem in the 1920s. The heterodyne frequency is determined by adjusting C1 and C tunes to the chosen station.

The spark gap generates the heterodyne signal in this early receiver designed by Fessendem in the 1920s. The heterodyne frequency is determined by adjusting C1 and C tunes to the chosen station.
