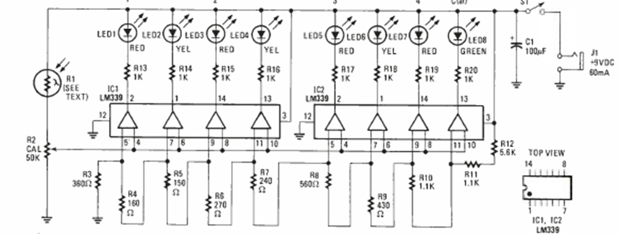
This circuit for photography uses was found in the Electronics Experimenter Handbook Special projects magazine from 1983. The bargraph circuit powers 8 LEDs.
We found this circuit in the 1982 SGS Linear Integrated Circuits manual. The L78xx is equivalent to 78xx...
We found this circuit in Radio Electronics magazine from October 1962. The article announced the...
This sequential relay actuation system circuit for traffic lights was found in Electronics Now...