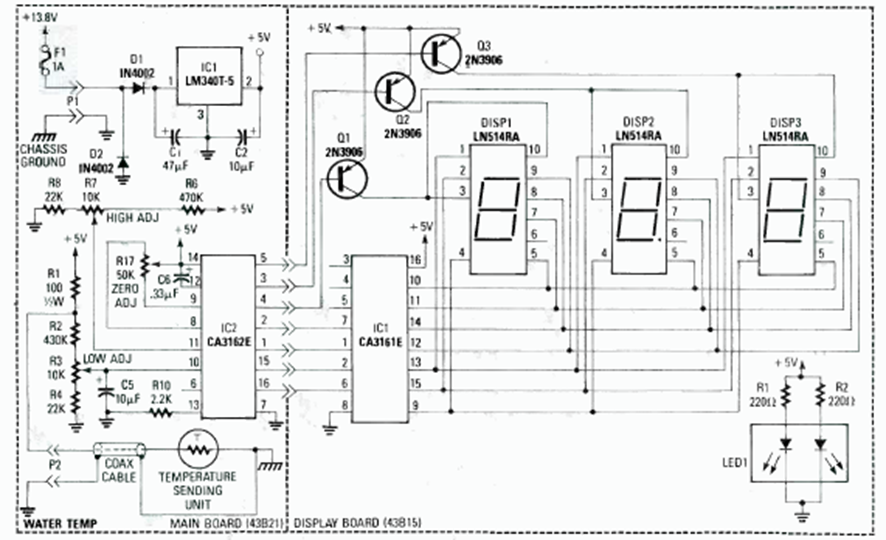
Using a pair of period A/D converters, this 3-digit circuit was found in the 1992 Radio Electronics Experimenter magazine. The sensor is a thermistor.
The reference voltage determines the output voltage on this circuit which has a maximum current of 5 A....
This filter of two transistors has the cutoff frequency determined by the formulas next to the...
July 2017 - Ricoh's new 200mA R1524x voltage regulators are available from Mouser Electronics with...