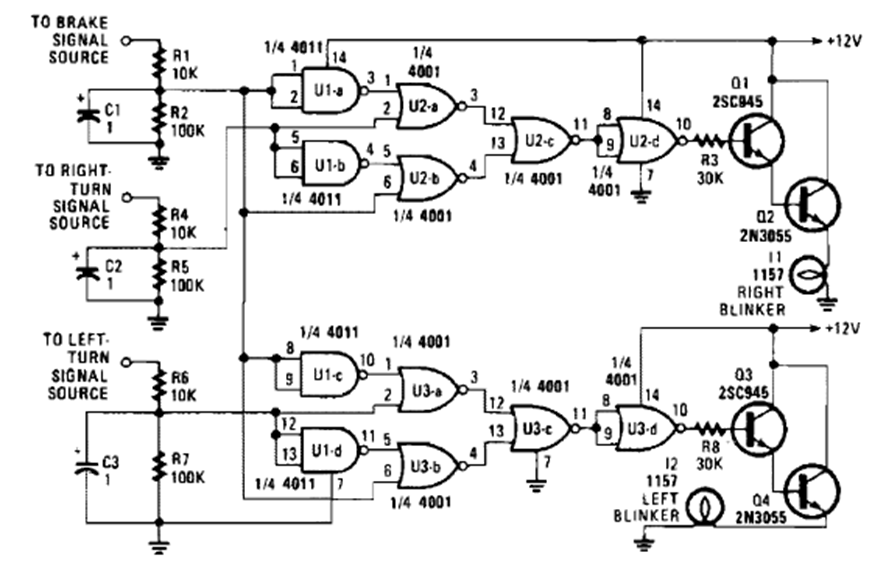
This circuit for cars of the time was found in a Popular Electronics magazine from the 90s. The circuit is based on CMOS logic that is common even today.
The reference voltage determines the output voltage on this circuit which has a maximum current of 5 A....
This filter of two transistors has the cutoff frequency determined by the formulas next to the...
July 2017 - Ricoh's new 200mA R1524x voltage regulators are available from Mouser Electronics with...