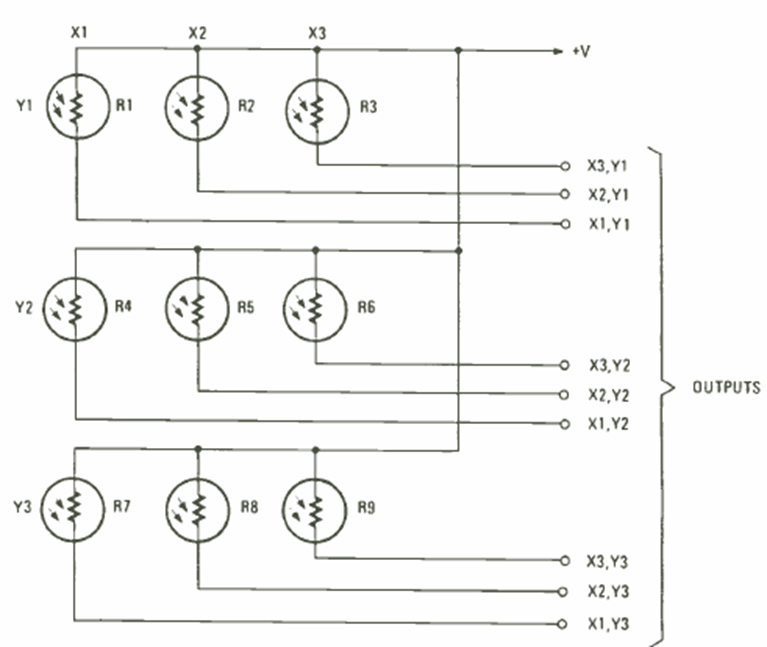
This 9-pixel circuit has been implemented with 9 LDRs and can be coupled to a processing system for an elementary artificial eye. The circuit is from Radio Electronics, November 1986.
This circuit was obtained in a 1980 publication and was suggested for balls, parties, vehicles...
This circuit activates an old conventional cassette recorder when the telephone line is answered and...
The circuit presented uses an integrated circuit Sanyo, not very common in our day. This amplifier provides...