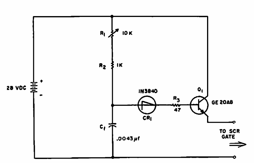
This simple SCR trigger was found in a 1965 General Electric SCR manual. The circuit makes use of a diac, and the transistor supports an equivalent.
This circuit was found in a 1992 publication. Its purpose is to time the activation of a doorbell...
This automotive circuit was found in the June 1997 issue of Electronis now magazine. The circuit uses...
This oscillator was found in the January 1996 issue of Electronics Now magazine. The frequency is given by...