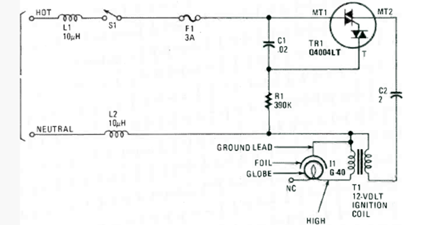
We found this circuit in a Radio Electronics Experimenter from 1990. The circuit uses a common incandescent bulb and a car ignition coil.
This circuit is from a technical documentation from Motorola from the 70s, and for this reason it is...
In the figure we have a transmitter and a simple remote-control receiver for tests found in a 90s...
This control, from a 1982 documentation, uses an integrated circuit and a Darlington transistor, as shown...