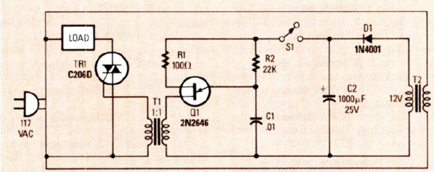
This circuit is one of many of its kind that can be found on this site. This one is from a September 1987 Radio Electronics. The triac must be controlled according to the load.
This is the circuit for the HM-10ª, an instrument sold by Heathkit. The circuit is from a Radio...
This circuit indicates when the monitored voltage drops below the value determined by the divider...
This circuit, from a 1975 Motorola manual, uses a power Darlington transistor of the time. We can...