This circuit was found in the August 1997 Electronics Now magazine. The circuit uses well-known operational codes and generates signals up to 20 kHz.
This circuit was found in a 1992 publication. Its purpose is to time the activation of a doorbell...
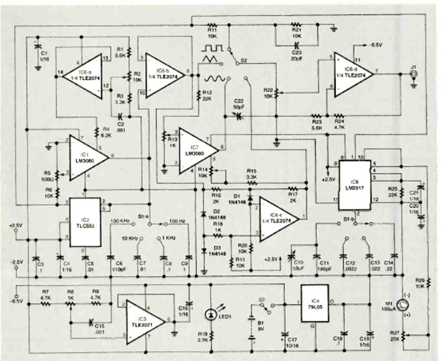
This automotive circuit was found in the June 1997 issue of Electronis now magazine. The circuit uses...
This oscillator was found in the January 1996 issue of Electronics Now magazine. The frequency is given by...