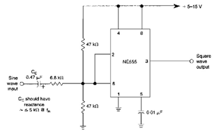
We found this circuit in a William Sheets. The circuit is for frequencies up to about 500 kHz.
This circuit was found in a 1992 publication. The circuit uses common components and includes the...
This protection circuit for battery chargers was found in an old Elektor. The relay is according to...
This very low frequency amplifier has a gain of 1,000 and was found in a 1967 documentation. The circuit is...