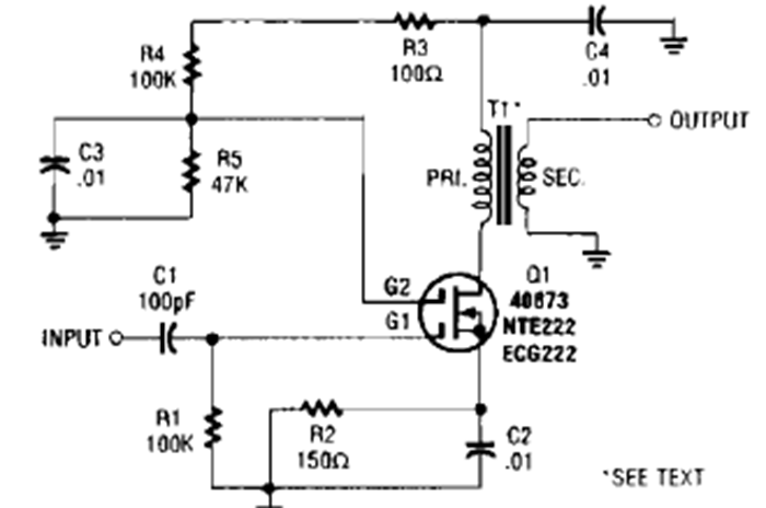
This boost amplifier was found in a Popular Electroniics from the 90s. The circuit operates up to 20 MHz depending on the coils used.
This circuit was suggested by National Semiconductor in its 1994 Linear Applications Handbook. The...
This 600-ohm line driver was found in a 1980s documentation. The integrated circuit used is not...
Using the ICM7556, dual CMOS version of the 555, this circuit generates triangular signals from 1 to...