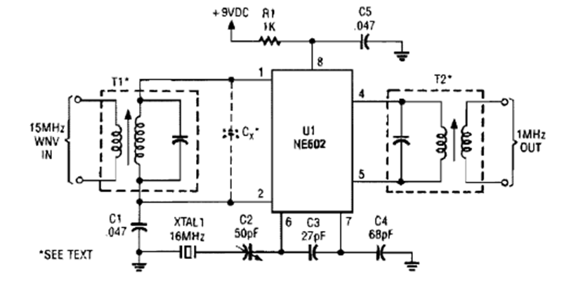
This converter for WWV time reference station signals was found at Popular Electronics. The 15 MHz signals are now received on a medium wave radio at 1 MHz.
This circuit was suggested by National Semiconductor in its 1994 Linear Applications Handbook. The...
This 600-ohm line driver was found in a 1980s documentation. The integrated circuit used is not...
Using the ICM7556, dual CMOS version of the 555, this circuit generates triangular signals from 1 to...