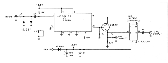
The purpose of this circuit is to extend the range of frequency meters (typically up to 30 MHz) to 300 MHz. The circuit is from an old American documentation and the integrated circuit used is not easy to find in our days.

The purpose of this circuit is to extend the range of frequency meters (typically up to 30 MHz) to 300 MHz. The circuit is from an old American documentation and the integrated circuit used is not easy to find in our days.
