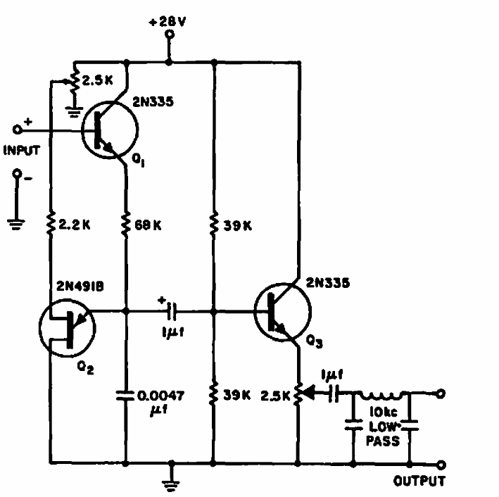
Found in an Electronic Design from 1968 this circuit generates a linear sawtooth signal modulated by an input signal. The transistors are from the era.
This circuit that appears in similar versions on this site was found in a Popular Electronics from the...
This circuit is based on the bistable configuration, but with the difference that the values of...
This circuit was found in a Popular Electronics from the 90's. The circuit has gained 10 to 20 dB...