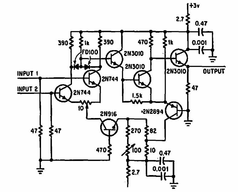
This circuit was obtained from American documentation from 1966. It triggers when the two input voltages are within a pre-established range. The circuit can be mounted with modern transistors.
This circuit with transistors and a crystal microphone appeared in Radio Electronics magazine in...
This circuit for incandescent lamps was found in a 1990s issue of Electronics Hobbyist magazine. The...
Using the CMOS 4046 IC this motor control was found in November 1984 Radio Electronics magazine. The...