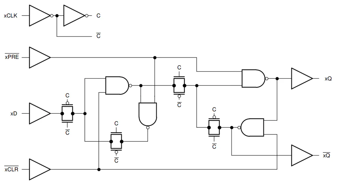
Texas Instruments SN74HC74/SN74HC74-Q1 Dual D-Type Flip-Flops contain two independent D-type positive-edge-triggered flip-flops with asynchronous preset and clear pins for each. These devices have a wide operating voltage range of 2V to 6V and a broad operating temperature range of -40°C to +85°C. The SN74HC74-EP devices have gold bond wires, a temperature range of –55 to +105°C, and an SnPb lead finish. The Texas Instruments SN74HC74-Q1 devices are AEC-Q100 qualified for automotive applications.




