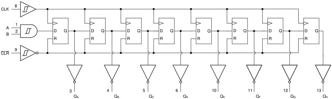
Texas Instruments SN74HCS264 Q1 Shift register with parallel output from
Available through Mouser Electronics, this integrated circuit for logic from 2 to 6V can provide outputs of 7.8 mA (draining or supplying) with 6V.

Available through Mouser Electronics, this integrated circuit for logic from 2 to 6V can provide outputs of 7.8 mA (draining or supplying) with 6V.
