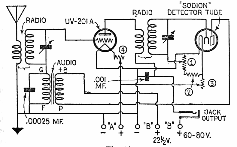
This interesting reflex receiver used a different component, which at the time was showing up. The receiver is from a 1924 documentation and used a sodion tube.
This oscillator for testing resonant circuits was found in a Radio Electronics magazine from June...
This circuit, suggested by an old American publication, allows you to use the AM radio antenna of a...
This circuit limits (clip) the intensity of a signal, according to the setting of P. The circuit is...