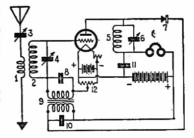
Found in a 1924 book by Gernsback where we only have reflex receivers, this circuit uses high impedance headphones and battery power.

Found in a 1924 book by Gernsback where we only have reflex receivers, this circuit uses high impedance headphones and battery power.
