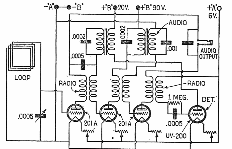
Found in documentation from 1924, this receiver has several sets of coils. Power is supplied by several batteries and listening on high-impedance headphones.
The circuit presented is quite simple, employing tone modulation of the signal. To receive the...
This circuit was obtained in a 1967 Raytheon manual. The company's component is an optical coupler with...
This circuit was obtained in an Electronic Engineering of the 90s. The operational amplifiers and...