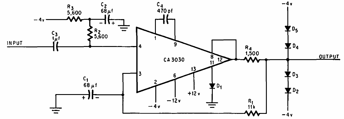
This circuit was found in a 1968 RCA documentation. The circuit can be designed with operational equivalents. Input signals can be up to 6 V in amplitude and the limitation is 78 dB.
This circuit was found in a 1974 publication. It converts the applied voltage into pulses of...
This circuit, which also serves to amplify FM signals from an external antenna, was found in the...
This circuit is found in a 2011 technical publication from Texas Instruments. It is an amplifier for...