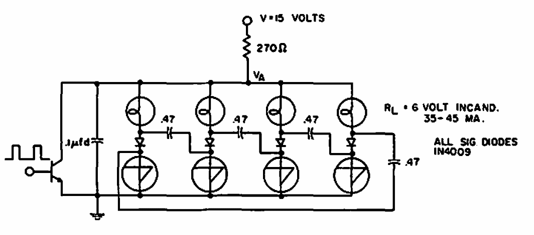
Found in 1966 General Electric documentation, this circuit uses solicon unilateral switches (SUS) switches that are uncommon components today.
This circuit makes use of a special LM195 power transistor not very easy to obtain. The circuit is from...
Found in documentation from the 90s, this circuit can employ other comparators in the series such as...
Suggested by Philips in a 1970 publication, this circuit uses components from that time. No...