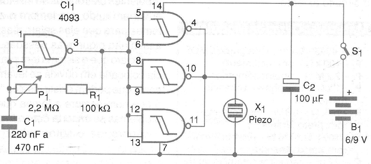
In the figure we have a circuit that produces interval pulses, reproduced in the piezoelectric transducer. The pulse frequency is set at P1 and basically depends on C1. The reader can change the value of C1 at will. The transducer must be of the high impedance piezoelectric type. For the low impedance or speaker types we have the next circuit (metronome 2). The supply can be made with voltages of 6 to 12 V obtained from batteries, battery or source. Consumption is low, which guarantees good durability for batteries.




